AG庄闲

  • 产品搜索

    封装品种
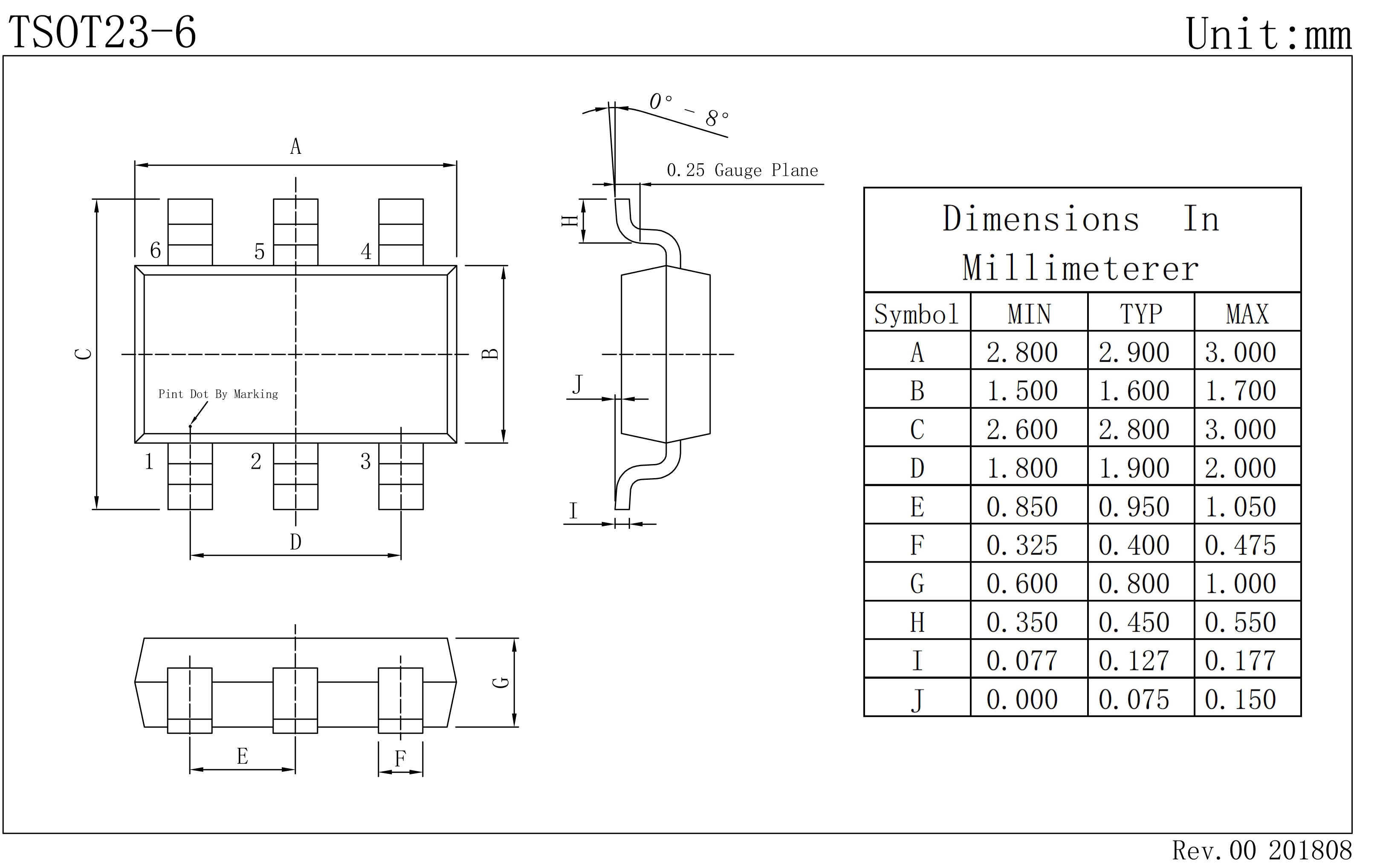
    TSOT23-6 详细介绍
    【网站地图】【sitemap】