AG庄闲

  • 产品搜索

    封装品种
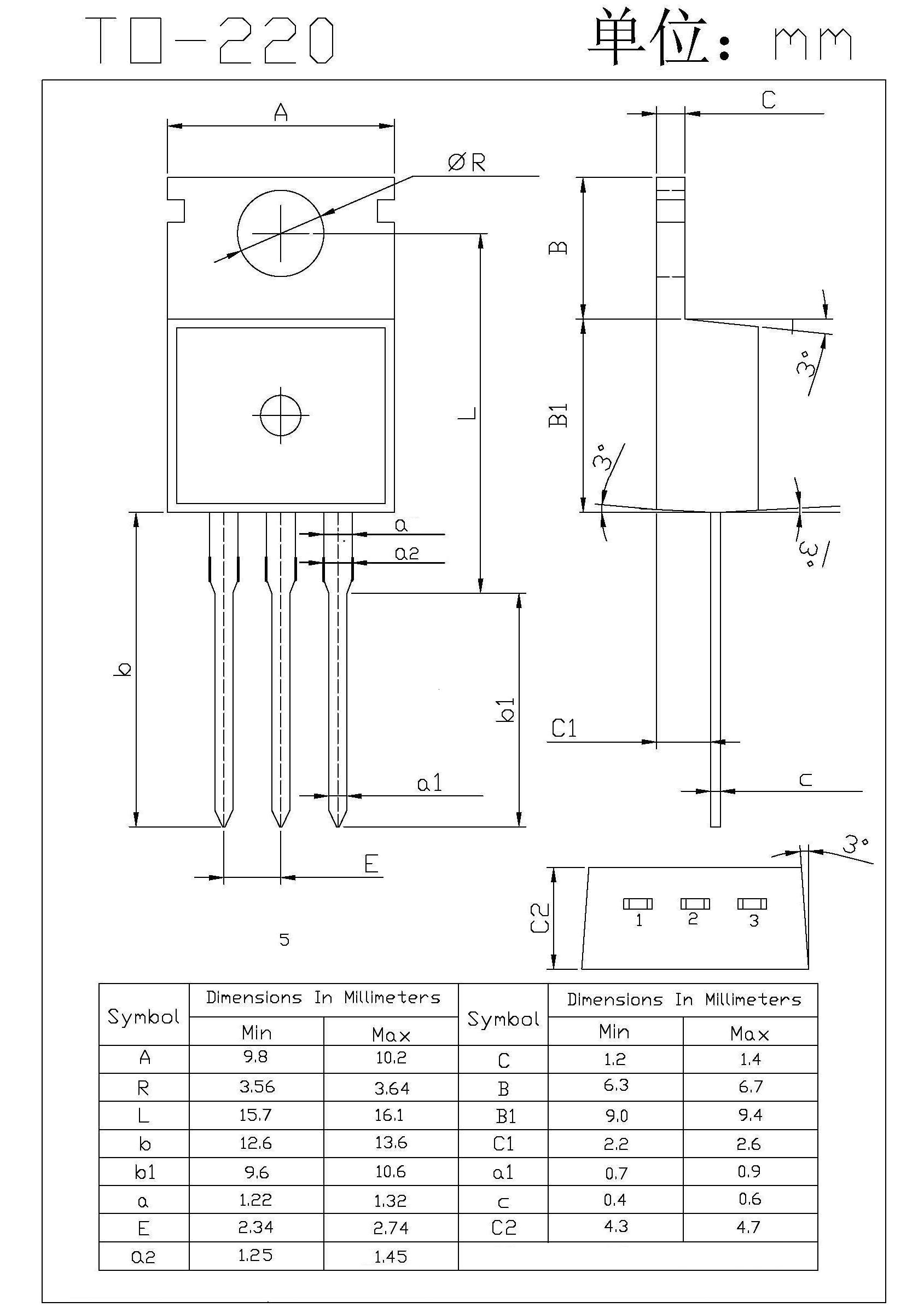
    TO-220 详细介绍
  • 【网站地图】【sitemap】